Morda se bere malo nenavadno, vendar vam informacija o »povoznosti« pokrova rezervoarja 10 ali več ton veliko pove o kakovosti čistilne naprave – o uporabljeni kakovosti uporabljenega materiala, o debelini sten rezervoarja ter napoveduje enostaven način vgradnje po sistemu »postavi, priklopi in zasuj«. Odpade torej hkratno zasipavanje in polnjenje rezervoarja z vodo, da se izenači […]
čistilna naprava one2clean in one2clean plus
+ Inovativna nemška tehnologija.
+ Izredno zanesljiv sistem delovanja.
+ Nizki stroški obratovanja/vzdrževanja.
+ Nadstandardna stopnja čiščenja odpadne vode.
+ Brez gibljivih mehanski, električnih elementov ter črpalk v odpadni vodi.
+ Pametna in enostavna.
+ Serijsko vgrajena funkcija denitrifikacije.
+ Brez vonja – vso odpadno vodo takoj aktivira s kisikom.
+ Minimalen ostanek blata – dolg interval odvoza.
+ Povozni rezervoar.
+ Izdelana za prihodnost – že pripravljena na morebitno strožjo zakonodajo.
PROMOCIJSKA AKCIJA ČISTILNIH NAPRAV GRAF ONE2CLEAN >>
Popolnoma biološka čistilna naprava one2clen očisti gospodinjsko odpadno vodo v samo 3 korakih. Naprava je sestavljena iz rezervoarja z eno 2/3 pregradno steno. Zaradi take izvedbe ni potrebe po črpanju v reaktorski del niti vračanje aktivnega blata. One2clean je brez vonjav. Z uporabo one2clean tehnologije se kompletne odpadne vode takoj obdelajo s kisikom, ki se ga dovaja s puhalom v celotno napravo. S pravilno uporabo naprave iz nje nikoli ne smrdi.
One2clean je že pripravljena na potrebe v prihodnosti. Čistilna naprava one2clean uspe predelati in očistiti odpadne vode do 99% in je tako že pripravljena na morebitne spremembe zakonodaje, če bodo pravila o izpustih strožja. To pa pomeni veliko varnost pri nakupu.
Vgradnja modula one2clean je mogoča tudi v betonski rezervoar primerne prostornine in s potrdilom o vodotesnosti pristojne institucije.
![]()
- povozen rezervoar do 12,5 T
- nastavljiv pokrov za lažje prilagajanje globine vtoka
- pokrov je po vgradnji popolnoma poravnan s terenom
- vsi priklopi na napravi so že pripravljeni s tesnili fi 110 mm
- za lažje vstavljanje naprave v izkopano jamo so na rezervoarju pripravljena obešala
- v napravi ni električnih komponent. Ni črpalk in ostalih vrtečih mehanskih delov
- ni elektromagnetnih ventilov
- visoka učinkovitost čiščenja pomeni veliko varnost za prihodnost
- integrirana samočistilna posoda za odvzem vzorca
- dolgi intervali praznjenja odvečnega blata
- izdelana iz visoko kvalitetnih komponent
- nizka poraba energije
- enostavna konstrukcija z minimalno pokvarljivimi deli
- tih in ekonomičen kompresor vrhunskega proizvajalca z dolgo življenjsko dobo
- odlično razmerje med ceno in kvaliteto
- minimalno tehnike za maksimalne učinke
Video predstavitev delovanja čistilne naprave GRAF one2clean
![]()
Primerjava sistemov čistilne naprave one2clean in one2clean plus

Glavni sestavni deli čistilne naprave one2clean in one2clean plus

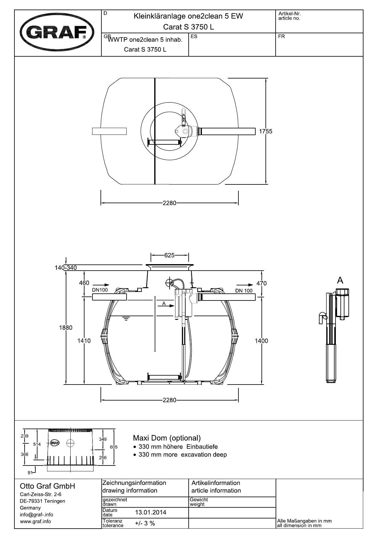
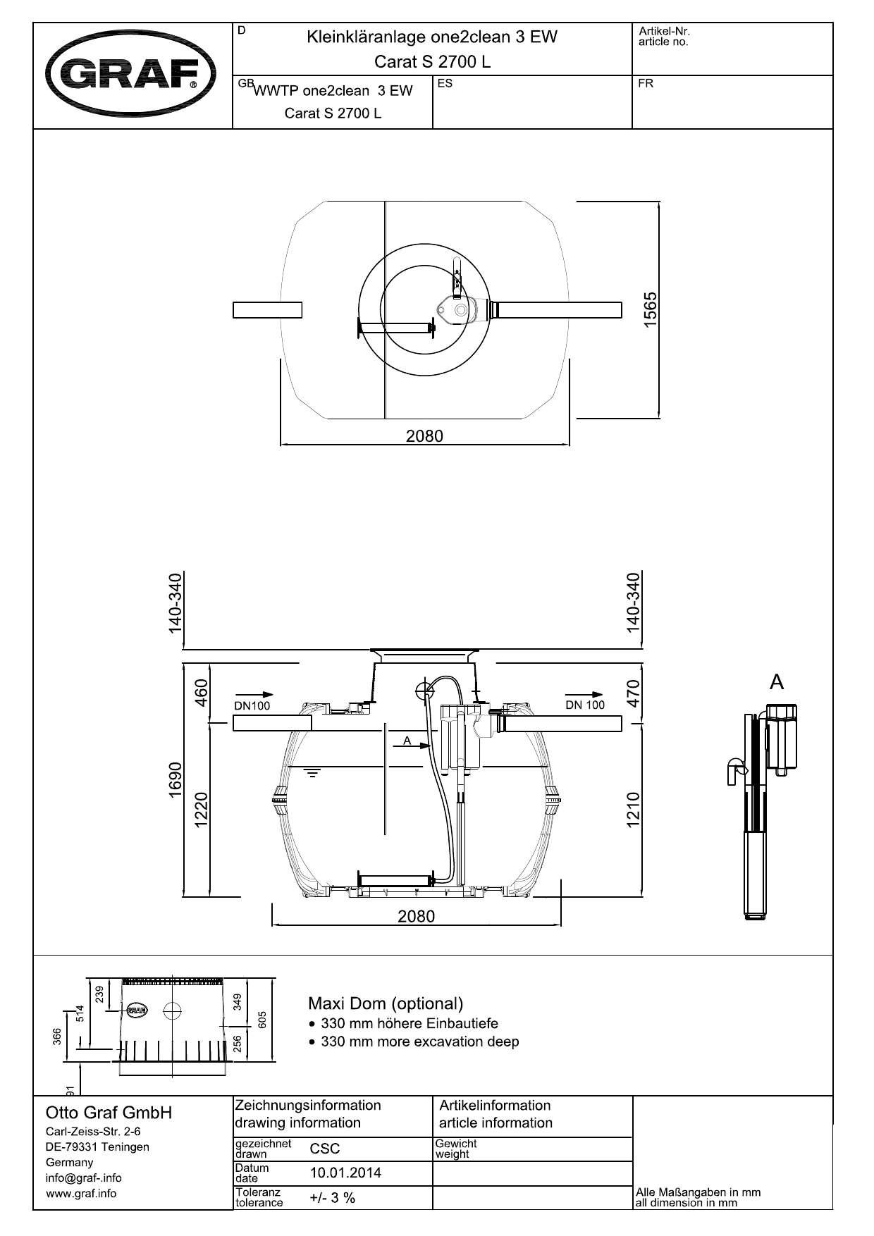
V spodnjih tabelah veljajo mere rezervoarjev za vgradnjo v nepovozno površino.
Pri vgradnji v vozno površino je potrebno upoštevati dodatek za višino 330 mm. Vse ostale dimenzije so enake.
one2clean izvedba v enem rezervoarju (1 do 9 PE)
2700L 1-3PE
3750L 4-5 PE
4800L 6-7 PE
6500L 8-9 PE
one2clean izvedba v dveh rezervoarjih (10 do 18 PE)
5400L 5-7 PE
7500L 8-10 PE
9600L 11-14 PE
13000L 15-18 PE
V spodnjih tabelah veljajo mere rezervoarjev za vgradnjo v nepovozno površino.
Pri vgradnji v vozno površino je potrebno upoštevati dodatek za višino 330 mm. Vse ostale dimenzije so enake.
one2clean izvedba v enem rezervoarju (1 do 9 PE)
one2clean izvedba v dveh rezervoarjih (10 do 18 PE)
Paket cevi SBR
(Doplačilo - dobavljivo samo ob nakupu Graf-Male biološke čistilne naprave Klaro)
[kat. št. 107047]

+D Paket za denitrifikacijo (odstranjevanje dušika)
(Doplačilo - samo ob nakupu Graf-čistilne naprave Klaro Easy/Aqua Simplex)
[kat. št. 107044]

+P Paket za odstranjevanje fosfatov
le v povezavi z paketom Comfort + K. (Doplačilo - samo ob nakupu Graf-čistilne naprave Klaro Easy/Aqua-Simplex)
[kat. št. Na zahtevo]

+H Higienski paket
Higienski paket: izčrpano očiščeno vodo se presvetli tudi z UV-svetlobo, s čimer se uniči mikroorganizme. Vključuje Komfortpaket +K. (Doplačilo - samo ob nakupu Graf-čistilne naprave Klaro Easy)
[kat. št. Na zahtevo]

+K Komfort paket
Kontrolna enota-mikroprocesor z večjim prikazovalnikom in gumbi. Prepoznavanje prenizke količine dotoka je vgrajeno v nadzor s pomočjo tlačnega senzorja. Obvezno pri izbiri opcij +H in +P.
[kat. št. 107277]

Zunanja nadzorna omarica za 1-9 prebivalcev iz umetne mase
Doplačilo - samo ob nakupu GRAF-čistilne naprave one2clean/Klaro Easy
[kat. št. 107167]

Zunanja nadzorna omarica za 10-18 prebivalcev iz umetne mase
Doplačilo - samo ob nakupu GRAF-čistilne naprave one2clean/Klaro Easy
[kat. št. 107168]
Že zbirate in uporabljate deževnico?
Povezani članki
Vedno pogostejši in s padavinami bogati nalivi so iz leta v leto nevarnejši. Kanalizacijska omrežja, sploh tista, grajena v prejšnjem tisočletju, jim preprosto niso kos. A rešitev pred poplavo in katastrofo obstaja. Podnebne spremembe zadnja leta niso prav nič nedolžne, nasprotno, vedno pogostejši in izdatnejši nalivi se marsikje spremenijo v manjše ali večje poplave in […]
Vprašanje se nanaša na prednosti in slabosti različnih materialov, iz katerih so izdelani rezervoarji za čistilne naprave in zbiranje deževnice. Beton nas kot gradbeni material spremlja že zelo dolgo. Razvoj novih tehnologij in materialov danes posega v vse segmente našega življenja, od avtomobilske industrije do gradbeništva. Klasične materiale in tehnologije izdelave nadomeščajo na novo razviti […]




















